Определение напряженно-деформированного состояния системы перекрестных стержней от воздействия распределенной нагрузки и сосредоточенной силы в их плоскости.
Продольно-поперечный изгиб в одной плоскости.
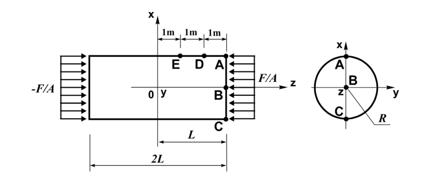
Определить перемещение свободного конца x, y, z и максимальное напряжение в защемленном сечении σz .Проверка соответствия результатов для моделей разных размерностей.
Определение напряженного состояния симметричного клина единичной толщины при изгибе равномерно распределенной нагрузкой.
Определение напряженного состояния симметричного клина единичной толщины при изгибе сосредоточенным моментом.
Определение напряженного состояния симметричного клина единичной толщины при сжатии и изгибе сосредоточенными силами.
Определение напряженного состояния кривого узкого бруса прямоугольного сечения при изгибании сосредоточенной силой, приложенной к незакрепленному концу.
Инструкция по активации подписки через LIRALAND License Manager.
Узнайте, как войти в учетную запись, подтвердить запуск приложения и активировать подписку для использования продуктов LIRALAND.
Определение напряженного состояния плоской системы двух соосных стержней от воздействия изменения температуры.
Определение напряженного состояния балки, защемленной по двум торцам, от воздействия поперечного смещения одного из них.
Определение напряженно-деформированного состояния балки на упругом основании под действием сосредоточенных сил и распределенной нагрузки, изменяющейся по закону треугольника.
Определение напряженно деформированного состояния призматического бруса под действием изгибающего момента.
Определение напряженно деформированного состояния плоской фермы при силовом, температурном и кинематическом воздействиях.
Определение напряженно деформированного состояния пространственной стержневой системы с упругими связями под действием сосредоточенной силы.
Определение напряженно-деформированного состояния балки с затяжкой с учетом деформаций поперечного сдвига в балке.
Определение напряженно деформированного состояния плоской фермы от действия сосредоточенной силы.
Расчет на изгиб в силовой плоскости под действием сосредоточенной силы без учета деформаций поперечного сдвига. Проверяются значения максимального поперечного перемещения w, угла поворота θ и изгибающего момента M.
Определение напряженного состояния в элементах пространственной шарнирно-стержневой системы под действием сосредоточенной силы.
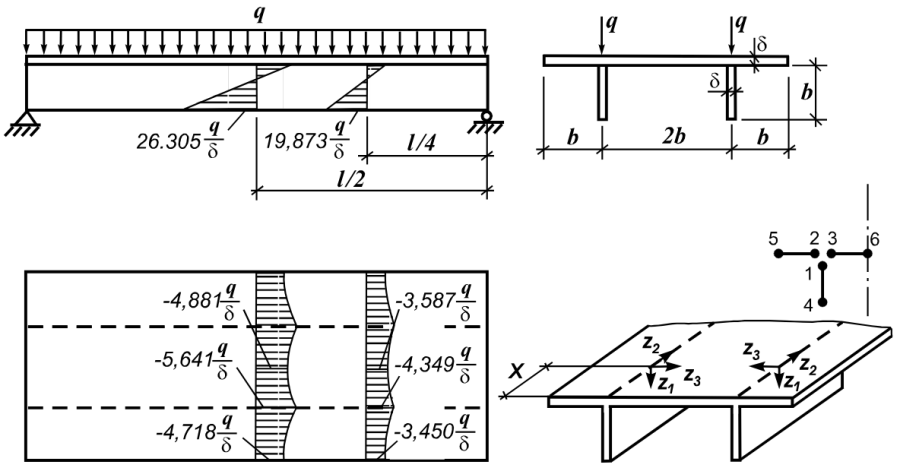
Определение напряженно деформированного состояния системы перекрестных стержней от воздействия распределенной нагрузки и сосредоточенной силы в их плоскости.
Определение напряженно деформированного состояния консольной пластины.
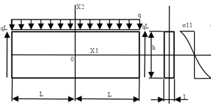
Комбинированная нагрузка (поперечное давление, сосредоточенная сила) в одной плоскости без учета деформаций поперечного сдвига. Проверяются перемещения и усилия.
Нагрузка балки, защемленной по концам, в одной плоскости без учета деформаций поперечного сдвига. Проверяются значения максимального поперечного перемещения и изгибающих моментов.
Определение напряженно деформированного состояния балки, защемленной с двух концов, от действия равномерно распределенной нагрузки, сосредоточенных продольных и поперечных сил и изгибающего момента.
Определение напряженно деформированного состояния цилиндра со свободными торцами под внутренним давлением.
Определение напряженно-деформированного состояния круглой пластины.
Определение напряженно-деформированного состояния балки на упругом горизонтальном основании от воздействия сосредоточенных вертикальных сил.
Определение напряженно деформированного состояния цилиндрической оболочки под собственным весом.
Определение напряженно-деформированного состояния тора под внутренним давлением.
Определение напряженно-деформированного состояния консольной узкой пластины от воздействия пары сил, вызывающих ее кручение.
Деформированное состояние трехступенчатой шарнирно-опертой балки, нагруженной сосредоточенными силами, без учета деформации поперечного сдвига. Проверяются поперечные перемещения и углы поворота.
Определение напряженно деформированного состояния двухпролетной свободно опертой балки с промежуточной податливой опорой под действием сосредоточенных поперечных сил, расположенных в середине пролетов.
Определение напряженно деформированного состояния вертикальной призмы под действием нагрузки от собственного веса.
В LIRA-FEM 2025 (система ГРУНТ) реализован расчет прочности основания в соответствии с нормами EN 1997-1:2004 (Eurocode 7: Geotechnical design – Part 1: General rules).
Многие нормативные документы регламентируют процесс расчёта нагрузки от ветра на поверхности крыш различной формы. Предлагаются таблицы, устанавливающие связь между геометрическими параметрами крыши и коэффициентами для определения ветрового давления на различных участках поверхности крыши. Если значения параметров не представлены в таблицах, предп...
Нередко возникает задача учитывать собственный вес огнезащитной обмазки или других покрытий, наносимых на стержневые элементы конструкций (балки, колонны).
В версии LIRA-FEM 2025 реализована новая программная защита от немецкой компании WIBU-SYSTEMS AG. В статье описывается общая информация о типах ключей. Содержится инструкция по настройке сетевого сервера лицензий CodeMeter (CodeMeter network license server)
Являясь полноценным препроцессором для LIRA-FEM, подсистема LIRA-CAD позволяет не только моделировать конструкции, но и задавать/моделировать нагрузки.
Одной из задач компьютерной графики является формирование выразительных изображений объектов виртуального мира на экранах ваших видеомониторов. Так уж повелось, что любые сколь бы то ни было криволинейные поверхности на финальных этапах визуализации вынуждены стать плоскими треугольниками. Подобно тому, как в МКЭ, какими бы ни были контуры плит, на...