Визначення напружено-деформованого стану системи, який представляє собою абсолютно жорстку і міцну балку на трьох нелінійно пружних підвісках.


Визначити прогини в прольоті f, згинальні моменти в прольоті MА і згинальні моменти на опорі MB від навантажень q.


Консольний стержень на односторонніх опорах


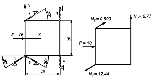
Система з односторонніми пружинами


Дослідити поведінку балки при дії зосередженого навантаженню P, перед утворенням пластичного шарніра та під час його утворення.


Контактна задача для циліндру


Квадратна плита на односторонній жорсткій основі


Температурне розширення стержня за наявності зазору