Визначення напружено-деформованого стану просторової стержневої системи з пружними в'язями під дією зосередженої сили.


Визначення напружено-деформованого стану плоскої ферми при силовому, температурному та кінематичному впливах.


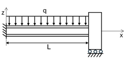
Визначення напружено-деформованого стану балки із затяжкою з урахуванням деформацій поперечного зсуву в балці.




Визначення напружено-деформованого стану циліндра з вільними торцями під внутрішнім тиском.


Визначення напружено-деформованого стану тора під внутрішнім тиском.


Визначення напружено-деформованого стану циліндричної оболонки під власною вагою.


Визначення напружено-деформованого стану консольної вузької пластини від впливу пари сил, що викликають її кручення.


Визначення напружено-деформованого стану плоскої ферми від дії зосередженої сили.


Визначення напружено-деформованого стану системи перехресних стрижнів від впливу розподіленого навантаження та зосередженої сили у їхній площині.


Розрахунок на вигин у силовій площині під дією зосередженої сили, без урахування деформацій поперечного зсуву. Перевіряються значення максимального поперечного переміщення w, кута повороту θ та вигинаючого моменту M.


Визначення напруженого стану в елементах просторової шарнірно-стрижневої системи під дією зосередженої сили.


Комбіноване навантаження (поперечний тиск, зосереджена сила) в одній площині без урахування деформацій поперечного зсуву. Перевіряються переміщення та зусилля.


Навантаження балки, затиснутої по кінцях, в одній площині без урахування деформацій поперечного зсуву. Перевіряються значення максимального поперечного переміщення та вигинаючих моментів.


Визначення напружено-деформованого стану балки, защемленої з двох кінців, від дії рівномірно розподіленого навантаження, зосереджених поздовжніх та поперечних сил і згинаючого моменту.


Деформований стан триступеневої шарнірно-обпертої балки, навантаженої зосередженими силами, без урахування деформації поперечного зсуву. Перевіряються поперечні переміщення та кути повороту.


Визначення напружено-деформованого стану двопрогонної вільно опертої балки з проміжною податливою опорою під дією зосереджених поперечних сил, розташованих у середині прольотів.


У LIRA-FEM 2025 (система ҐРУНТ) реалізовано розрахунок міцності основи відповідно до норм EN 1997-1:2004 (Eurocode 7: Geotechnical design – Part 1: General rules).


Багато нормативних документів регламентують процес розрахунку навантаження від вітру на поверхні дахів різної форми. Пропонуються таблиці, що встановлюють зв'язок між геометричними параметрами даху та коефіцієнтами для визначення вітрового тиску на різних ділянках поверхні даху. Якщо значення параметрів не представлені в таблиц...


Нерідко виникає задача враховувати власну вагу вогнезахисної обмазки або інших покриттів, що наносяться на стержневі елементи конструкцій (балки, колони).


Стандарт OpenGL 4.6, який був прийнятий у 2017 році, передбачає використання програмованого конвеєра візуалізації. Це означає, що алгоритми, які раніше були жорстко прошиті у кристалах відеокарти, тепер можна завантажувати ззовні. Поява такого права у розробників програм спричинила виникнення обов'язків: тепер потрібно написати...


Версія LIRA-CAD 2025 базується на оновленому графічному движку, що дозволяє використовувати можливості обладнання як за стандартом OpenGL 1.1, так і за стандартом OpenGL 4.6. У тому числі, з використанням мови програмування шейдерів GLSL 4.6.


Питання про моделювання рухомих навантажень може виникати не тільки при проектуванні пролітних будов (мостів, шляхопроводів, естакад). Нерідко потрібно досліджувати НДС конструкцій на кшталт багаторівневих паркінгів або будівель з підземно-стилобатною частиною, за якою передбачається рух транспорту в умовах звичайної експлу...


Для версії LIRA-CAD 2025 суттєво оновлено графічну підсистему, що забезпечує та візуалізацію моделі проектованого об'єкта.


Нерідко монолітні з/б плити мають конфігурацію, що істотно відрізняється від тривіального прямокутника. У цих випадках актуальним стає питання про напрямок осей для результатів армування.


Рекомендації щодо вибору оптимальної конфігурації комп'ютера для програмного комплексу LIRA-FEM щодо співвідношення ціна/якість. Актуальність на грудень 2024.


У цій статті ми розглянемо два основні способи запуску LIRA-FEM на Mac: віртуалізацію через Parallels Desktop для Mac із процесорами серії M та використання Boot Camp для Mac із процесорами Intel. Кожен із цих методів має свої переваги та недоліки, які ми детально розглянемо. Наприкінці також запропонуємо покрокову інструкцію щодо ...


Починаючи з версії 2016 система документування результатів розрахунку «Книга звітів» дозволяє прискорити генерацію документації за допомогою шаблонів. Призначення шаблонів – дати змогу повторно використовувати документацію, сформовану для однієї конструкції, для документування іншої, подібної конструкції.


Моделювання процесу зведення дозволяє дослідити зміни НДС не тільки на стадії експлуатації, але і на стадії зведення конструкції.


Якщо у САПФІРі створювати у межах 1-го поверху декілька плит перекриттів, з невеликою відстанню один від одної, то плита меншої площі “підвішується” на жорсткі вставки до плити більшої площі. Від чого це залежить?


Одним з основних факторів ураження будь-якого вибуху є ударна хвиля. Ударна хвиля — це зона стиснутого повітря, яка поширюється у всі боки від центру вибуху зі швидкістю, вищою за швидкість звуку та може мати руйнівний вплив на навколишні об'єкти. Дія ударної хвилі на елементи споруд характеризується складним комплексом наванта...



Багатопустотні плити перекриття застосовуються у будівництві житлових, громадських та адміністративних будівлях з використанням різноманітних матеріалів стін: цегли, бетонних блоків, моноліту, стінових панелей та інших стінових матеріалів, які використовуються у звичайних умовах будівництва. Багатопорожнинні плити перекриття відріз...


Починаючи з версії ПК ЛІРА-САПР 2020 реалізований механізм автоматичного створення високоточних (з вузлами на сторонах) лінійних скінченних елементів.