Квадратна пластина, вільно оперта по периметру, навантажена рівномірно розподіленим навантаженням
Прямокутна пластина, вільно оперта у трьох вершинах, під дією з її площини зосередженої сили та зосереджених моментів
Прямокутна защемлена по контуру пластина постійної товщини при температурному навантаженні
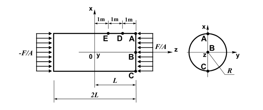
Циліндричне тіло, вільне від закріплень, під дією поздовжнього рівномірно розподіленого по торцях навантаження
У LIRA-FEM 2025 (система ҐРУНТ) реалізовано розрахунок міцності основи відповідно до норм EN 1997-1:2004 (Eurocode 7: Geotechnical design – Part 1: General rules).
Багато нормативних документів регламентують процес розрахунку навантаження від вітру на поверхні дахів різної форми. Пропонуються таблиці, що встановлюють зв'язок між геометричними параметрами даху та коефіцієнтами для визначення вітрового тиску на різних ділянках поверхні даху. Якщо значення параметрів не представлені в таблиц...
Нерідко виникає задача враховувати власну вагу вогнезахисної обмазки або інших покриттів, що наносяться на стержневі елементи конструкцій (балки, колони).
Стандарт OpenGL 4.6, який був прийнятий у 2017 році, передбачає використання програмованого конвеєра візуалізації. Це означає, що алгоритми, які раніше були жорстко прошиті у кристалах відеокарти, тепер можна завантажувати ззовні. Поява такого права у розробників програм спричинила виникнення обов'язків: тепер потрібно написати...
Версія LIRA-CAD 2025 базується на оновленому графічному движку, що дозволяє використовувати можливості обладнання як за стандартом OpenGL 1.1, так і за стандартом OpenGL 4.6. У тому числі, з використанням мови програмування шейдерів GLSL 4.6.
Питання про моделювання рухомих навантажень може виникати не тільки при проектуванні пролітних будов (мостів, шляхопроводів, естакад). Нерідко потрібно досліджувати НДС конструкцій на кшталт багаторівневих паркінгів або будівель з підземно-стилобатною частиною, за якою передбачається рух транспорту в умовах звичайної експлу...
Для версії LIRA-CAD 2025 суттєво оновлено графічну підсистему, що забезпечує та візуалізацію моделі проектованого об'єкта.
Нерідко монолітні з/б плити мають конфігурацію, що істотно відрізняється від тривіального прямокутника. У цих випадках актуальним стає питання про напрямок осей для результатів армування.
Рекомендації щодо вибору оптимальної конфігурації комп'ютера для програмного комплексу LIRA-FEM щодо співвідношення ціна/якість. Актуальність на грудень 2024.
У цій статті ми розглянемо два основні способи запуску LIRA-FEM на Mac: віртуалізацію через Parallels Desktop для Mac із процесорами серії M та використання Boot Camp для Mac із процесорами Intel. Кожен із цих методів має свої переваги та недоліки, які ми детально розглянемо. Наприкінці також запропонуємо покрокову інструкцію щодо ...
Починаючи з версії 2016 система документування результатів розрахунку «Книга звітів» дозволяє прискорити генерацію документації за допомогою шаблонів. Призначення шаблонів – дати змогу повторно використовувати документацію, сформовану для однієї конструкції, для документування іншої, подібної конструкції.
Моделювання процесу зведення дозволяє дослідити зміни НДС не тільки на стадії експлуатації, але і на стадії зведення конструкції.
Якщо у САПФІРі створювати у межах 1-го поверху декілька плит перекриттів, з невеликою відстанню один від одної, то плита меншої площі “підвішується” на жорсткі вставки до плити більшої площі. Від чого це залежить?
Одним з основних факторів ураження будь-якого вибуху є ударна хвиля. Ударна хвиля — це зона стиснутого повітря, яка поширюється у всі боки від центру вибуху зі швидкістю, вищою за швидкість звуку та може мати руйнівний вплив на навколишні об'єкти. Дія ударної хвилі на елементи споруд характеризується складним комплексом наванта...
В даній статті розглянуто приклад розрахунку коефіцієнта постелі С1 за методом 5 у відповідності до норм ДБН.
Багатопустотні плити перекриття застосовуються у будівництві житлових, громадських та адміністративних будівлях з використанням різноманітних матеріалів стін: цегли, бетонних блоків, моноліту, стінових панелей та інших стінових матеріалів, які використовуються у звичайних умовах будівництва. Багатопорожнинні плити перекриття відріз...